安科瑞AMC16Z和AMC100數據中心列頭柜監控模塊
【摘要】隨著數據中心的迅猛發展,數據中心的能耗問題也越來越突出,有關數據中心的能源管理和供配電設計已經成為熱門問題,合理可靠的數據中心配電系統方案,是提高數據中心電能使用效率,降低設備能耗的合理方式。要實現數據中心的節能,首先需要監測每個用電負載,而數據中心負載回路非常的多,傳統的測量儀表無法滿足成本、體積、安裝、施工等多方面的要求,因此需要采用適用于數據中心集中監控要求的多回路監控裝置。
安科瑞公司 AMC16Z和AMC100系列交流配電監控模塊是專門針對于數據中心服務器電源管理設計的測量裝置。該裝置設計小巧,能夠對進出線的全電參量參數、輸入輸出開關及防雷器狀態等實時監測, 所有測量通道的告警閾值均可單獨設定,出現越限事件立即觸發系統聲光告警,是在傳統儀表的體積上實現了監控回路的高度集成。
【關鍵詞】數據中心;列頭柜;多回路監控;
一、應用方案
2.1 AMC100直流選型案例——輸入:1*100A,輸出:72*100A
2.2 AMC100交流選型案例——輸入:2*400A/3P,輸出:2*85*32A/1P
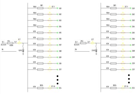
2.3 AMC16Z交流選型案例——輸入:1*250A/3P,輸出:2*100A/3P + 1*32A/3P + 1*25A/3P + 15*32A/1P + 9*25A/1P
2.4 AMC16Z直流選型案例——輸入:2*400A,輸出:2*4*100A+2*20*63A
2.1 江蘇某運營商數據中心電源列柜
2.2 江蘇某超算中心配電列頭柜
2.3 南京某運營商數據中心電源列柜

三、功能特點
4.1 AMC100和AMC16Z對比
4.2型號命名
注:AMC100系列無24回路模塊,AMC16Z系列無30回路模塊
四、資質文件
5.1 AMC100系列
AMC100配電裝置具備CNAS檢測報告。
5.2 AMC16Z系列
AMC100配電裝置具備CNAS檢測報告和計算機軟件著作權。
五、結語
伴隨著數字經濟的蓬勃發展,數據中心在新型基礎設施體系的支撐作用愈發凸顯,其在賦能千行百業數字化變革的同時,所帶來的巨大能耗問題也引起社會的高度關注。加之“雙碳”戰略的出臺,地方對數據中心能耗指標提出更高要求。安科瑞配電列頭柜監控模塊是針對數據中心列頭柜的配電監控要求而設計的多回路監控裝置,解決數據中心末端監控的需求。




掃一掃添加微信