導軌式直流電能表在充電樁行業中的應用
摘要:在努力實現“碳中和”的背景下,未來我國新能源汽車的發展趨勢不會改變。目前我國新能源汽車進入黃金發展階段,作為電動汽車的“補給站”,充電樁也呈現出瘋狂式的增長,各地出臺扶持政策,在這樣一個利好的政策下,無疑會提供巨大的市場。基于此,文章主要分析了充電樁應用前景以及應導軌式直流電能表的應用。
關鍵詞:充電樁;新能源;直流電能表;電動汽車
0:概述
根據《新能源汽車產業發展規劃(2021—2035年)》規劃,到2025年新能源汽車銷量占汽車銷量的25%左右,保守預計新能源汽車銷量700萬輛左右。以新能源汽車保有量 2000萬輛、車樁比1:1估算,需要的充電樁數量約1880萬臺。
隨著新能源汽車越來越多,作為新能源汽車的“加油機”,充電樁也越來越多,充電服務市場已經形成了一定的規模和格局。
充電樁能實現計時、計電度、計金額充電,可以作為市民購電終端。同時為提高公共充電樁的效率和實用性,目前有雙槍雙路計量,快充和慢充等方式。通常情況,充電樁內部會設有一個直流電能表計,對每一只槍進行用電實時監測。
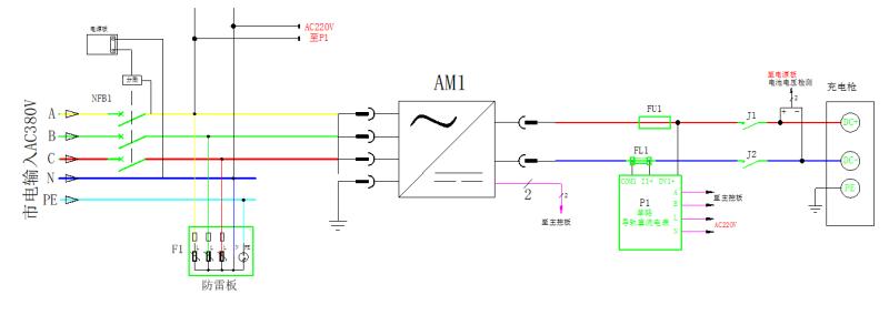
1:背景應用
在電動汽車充電系統中,充電樁通過和汽車電池管理系統(BMS)通訊,將三相交流輸入電能轉換為BMS 所需的直流電能,在直流母線的輸出側會接入直流電表,用于對輸出電能進行計量。充電管理控制器讀取直流電能表的電能數據,并控制直流充電輸出等。直流電能表可配置分流器或者霍爾傳感器實現對充電電能的計量。
圖1 直流充電樁應用原理圖
直流電能表可以采用RS485通訊方式與充電樁的主控連接,在主控可以抄讀電表信息,也可以根據用戶需求對充電情況進行監控。通過直流電能表充電檢測軟件可以直觀顯示電動汽車在直流充電站進行快速充電時的電壓、電流、功率、電量,便于各類數據的查詢,以及異常情況記錄的查看。
圖2 儀表現場安裝圖
2:產品介紹
DJSF1352-RN導軌式直流電能表帶有雙路直流輸入,主要針對直流充電樁等應用場合而設計,該系列儀表可測量直流系統中的電壓、電流、功率以及正反向電能等。在實際使用現場,即可計量總電能,又可計量規定時間段內的電能。檢測的結果既可用于本地顯示,又能與工控設備、計算機連接,組成測控系統。
圖3 DJSF1352-RN產品圖
3:功能介紹
l 導軌式安裝方式,4模大小
l 電壓、電流、功率等電參量測量
l 正向,反向有功電能計量
l 上12個月歷史電能統計
l 具有日歷、計時和閏年自動轉換功能,具有校時功能。其中廣播下發的時鐘誤差不得大于5分鐘,在零點前后十分鐘內不準校時,每天只允許校時一次
l 具有兩套費率時段,可通過預先設置的時間實現兩套費率時段的自動轉換,每-485通訊接口,采用DL/T645-2007通訊協議和Modbus-RTU協議,RS485的通訊速率可在1200bps、2400bps、4800bps、9600bps設置。
4:結語
整體來看,我國新能源汽車市場前景依然向好,發展潛力巨大。隨著充電站的建設,我國新能源汽車與充電樁保有量的配比也逐步趨于合理。雖然充電基礎設施布局日漸完善,但與新能源汽車的保有量相比仍有不足的地方,未來還將快速增長。
參考文獻:
[1]《安科瑞充電樁收費運營解決方案》
[2] 《企業微電網設計與應用手冊》.2020.6
[3]《電動汽車充電樁控制工作原理研究》 韋顏祥,許虔虔




掃一掃添加微信