安科瑞變電站綜合自動化系統 在安慶市靜脈產業園應用
楊興媚
江蘇安科瑞電器制造有限公司 江蘇江陰 202204
摘 要:變電站綜合自動化系統是將變電站內的二次設備經過功能的組合和優化設計,利用計算機技術、通信技術、信號處理技術,實現對全變電站的主要設備和輸、配電線路的自動監視、測量、控制、保護、并與上級調度通信的綜合性自動化功能。
關鍵詞:變電站綜合自動化系統;自動監視;保護;調度通信
1. 概述
安慶市靜脈產業園是為創建安慶市經濟健康持續發展的長期環境安全保障、建設資源節約型社會、推進和發展循環經濟、提高土地利用價值、構建固體廢棄物綜合處置和資源化平臺、提升安慶市整個城市的面貌、解決未來安慶市固體廢棄物的出路。
本次建設內容包括:危險廢物處理中心、有木幾廢棄物處理中心、配套建設園區污水處理廠和園區管理中心等,該建設內容包括了安慶市靜脈產業園項目紅線范圍內得所有固體廢棄物處理子項目,以及園區紅線范圍內、外為園區配套的市政設施。全廠共設置35kV變電所1座,區域變電所3座。35kV變電所為獨立二層建筑物,其中一層為35kV開關室、35kV變壓器室、10kV開關室,二層為10kV變壓器及0.4kV開關室、通信室。區域變電所為裝置樓一層獨立區域,配置10kV開關柜、變壓器及0.4kV低壓柜。本項目外線電源由國網安慶市供電公司提供,一路電源為晴嵐變35kV京環313專線作為常用電源、35kV電壓等級,二路電源為朝陽變10kV山口17線作為備用電源、10kV電壓等級。

圖1 靜脈產業園現場圖
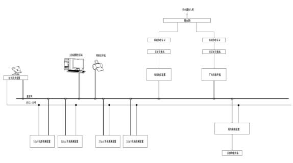
2. 系統結構
變電站綜合自動化系統是指:通過執行規定功能來實現某一給定目標的一些相互關聯單元的組合,變電站綜合自動化系統是利用計算機技術、現代電子技術、通信技術和信息處理技術等實現對變電站二次設備的功能進行重新組合、優化設計,對變電站全部設備的運行情況執行監視、測量。
系統可分為三層結構:即現場設備層、網絡通訊層和平臺管理層。
現場設備層:包含微機保護、智能操控、多功能儀表、計量表等設備,用于采集站內配電柜內電氣運行參數、開關狀態、電氣接點溫度等數據,同時分別在35kV變電站和10kV變電所配置多套直流電源,保障現場設備良好的運行環境。
網絡通訊層:包含ANet-2E8S智能網關。網關主動采集現場設備層設備的數據,并可進行規約轉換,數據存儲,分散10kV變電站通過數據采集箱(內置智能網關)采集數據通過光纖上傳至通信室變電站綜合自動化監控系統平臺;同時網關充當遠動通信裝置,將現場設備數據采集后通過交換機經縱向加密數據加密后上傳調度網。
平臺管理層:l變電站綜合自動化監控系統平臺、國網安徽省安慶電力調度控制中心平臺。
圖2 監控系統網絡結構圖
3. 解決方案
本項目35kV變電所1座,區域變電所3座,35kV變電所為獨立二層建筑物,其中一層為35kV開關室、35kV變壓器室、10kV開關室,二層為10kV變壓器及0.4kV開關室、通信室。區域變電所為裝置樓一層獨立區域,配置10kV開關柜、變壓器及0.4kV低壓柜。。
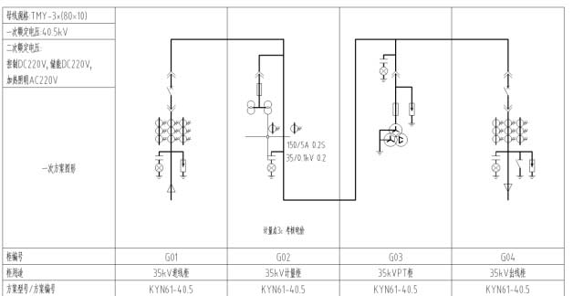
35kV變電所內35kV開關室一次系統圖如圖1所示,共有4面開關柜,分別為:1面進線柜、1面出線柜、1面計量柜、1面PT柜。
圖3 35kV開關室一次系統圖
35kV變電所內10k開關室一次系統圖如圖2所示,共有16面開關柜、其中2面10kV進線柜、9面變壓器出線柜(含備用出線柜3面)、1面母聯柜、1面隔離柜、2面PT柜、1面計量柜。
圖4 10kV開關室一次系統圖
圖5 各分散10kV變電所進線柜一次系統圖
3.1. 方案綜述
本次工程在35kV、10kV配電系統中配置微機保護裝置,對每面35kV、10kV高壓開關柜內配置開關狀態操控裝置,對電氣量采集和對電氣設備(如斷路器)的狀態監視、控制和調節,發生故障時,由微機保護裝置完成瞬態電氣量的采集、監視和控制,迅速切除故障設備和完成事故后的恢復操作。
在每面35kV、10kV高壓變配電開關柜配置1臺多功能電表,在晴嵐變35kV京環313專線間隔處、客戶側35kV變電所備用電源計量柜處、客戶側35kV變電所主用電源計量柜處、客戶側35kV變電所低壓柜辦公照明出線處、客戶側35kV變電所低壓柜職工宿舍負荷出線處裝有計量儀表,其中在總變電所安裝負荷采集終端箱,收集計量點客戶側四處計量表的電能信息,用于遠程監控及電量數據采集。
在35kV總變配置1套DC220V/100AH柜式直流電源,各區域變電所在高壓柜配置DC220V/20AH分布式直流電源,為整個變電站的斷路器、二次設備及監控主機等重要設備運行提供穩定可靠的電源。
在通信室配置一臺時鐘同步裝置,實現變電站內所有微機保護裝置、監控主機、規約轉換裝置、遠動裝置、廠站采集終端的時鐘同步。
在通信室配置一套變電站綜自自動化系統,通過規約轉換裝置采集站內UPS、直流屏數據,通過光纖組網與分散的各區域10kV變電所通信實現變電站綜合自動化監控與管理。
在通信室配置一面通訊屏、一面調度數據網屏,通訊屏配置1套155M光傳輸設備,內配1塊155M單光口板,配置2臺PCM接入設備(1臺安裝在35kV靜脈變,一臺安裝在安慶市調度),通過專用通道點對點方式實現變電站與調度端通訊。調度數據網屏配置數據1臺路由器、2臺交換機、2臺縱向加密裝置、1臺網絡安全監測裝置、1臺廠站采集終端,廠站采集終端實現站內的總電能計量與所用變計量。
3.2. 功能需求
3.2.1. 本地數據采集
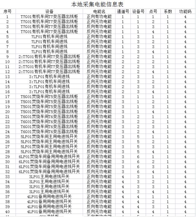
變電站綜合自動化系統需采集設備數量共計34臺,本地設備根據數據類型主要分為遙測、遙信、電能三類數據,部分數據展示如下:
遙測信息
遙信信息
電能信息
3.2.2. 電力安全防護需求
為了加強安慶市靜脈產業園配電工程電力監控系統安全防護,抵御黑客及惡意代碼等對監控系統發起的惡意破壞和攻擊,以及其它非法操作,防止電力監控系統癱瘓和失控,和由此導致的變電站一次系統事故和其他事故,需制定電力安全防護方案。
安慶市靜脈產業園配電工程內配置變電站監控系統、調度數據網系統、電能信息采集裝置。
變電站監控系統
本站變電站監控系統采用系統組態軟件Acrel-1000變電站綜合自動化監控系統,配置一臺監控后臺主機兼操作員站。主要實現變電站的數據采集、監視和控制功能,以監測控制計算機為主體,加上檢測裝置、執行機構與被監測控制的對象(生產過程)共同構成的整體。在這個系統中,計算機直接參與被監控對象的檢測、監督和控制,采用IEC104規約、端口號2404,并實時與地調自動化主站系統進行數據傳輸。裝置操作系統采用64位WINDOWS 7旗艦版,數據庫版本為SQL Server 2008R2。
電能信息采集裝置
本站配備了一套積成電子生產的型號為iES-E70廠站采集終端電能信息采集裝置。電能信息采集器是一種用于采集、存儲和轉送電站關口表采集和生成的計量計費信息的裝置,配置2個以太網口,電源供電方式為:交直流220V。裝置通過與電度表通信,收集電度表采集和生成的計量計費信息。采集器通過調度數據網非實時業務與計量計費主系統通信,地調接入網上傳通信端口為1020,上報所采集和生成的的計量計費信息。
項目二次系統及生產廠商、操作系統具體版本號等情況如下:
3.2.3. 主機與網絡設備加固
安慶市靜脈產業園配電工程現場應用的監控服務器系統組態軟件Acrel-1000,以及網絡邊界處的通信網關機ANet-2E8S1等,使用非LINUX Ubantu的安全加固操作系統,已關閉非必要的網絡服務,具體內容如下:
(1) 確定生產控制大區計算機設備各網卡的IP地址正確配置
(2) 關閉非必要的網絡服務
(3) 禁止網絡非法外聯;
(4) USB口、光驅用封條貼住,禁止USB、光驅移動介質接入
(5) 強化口令密碼,刪除默認多余賬戶,不同的賬戶對應不同的權限設置
(6) 禁止在計算機上安裝與運行監控系統無關的軟件。
使用其它系統同樣進行主機安全加固,加固方式包括:
(1) 卸載不必要的應用軟件、主機密碼復雜度,
(2) 主機多余賬戶刪除,關閉3389、135、138、445端口
(3) 使用無惡意芯片和無安全隱患計算機、存儲設備
(4) 確定生產控制大區計算機設備各網卡的IP地址正確配置
(5) 關閉非必要的網絡服務,禁止網絡非法外聯
(6) 強化口令密碼,刪除默認多余賬戶,不同的賬戶對應不同的權限設置
(7) 禁止在計算機上安裝與運行監控系統無關的軟件。
現場網絡設備如A、B網交換機,業務交換機等,對網口實行MAC地址綁定,實現專口專用,對于多余網口進行關閉并用防塵塞封堵端口貼上“端口禁用標志”。
安慶市靜脈產業園配電工程項目監控系統安全分區及邊界防護如下圖所示:
圖6 監控系統安全分區及邊界防護圖
3.3. 配置設備清單
3.4. 現場應用圖
圖7 10kV有木幾車間變電所圖
圖8 10kV有木幾車間變電所圖
圖9 10kV朝陽變山口17線備用電源變電所圖
圖10 通信室現場圖
4. 系統功能
4.1. 實時監測
Acrel-1000變電站綜合自動化系統人機界面友好,能夠以配電一次圖的形式直觀顯示配電線路的運行狀態,實時監測各回路電壓、電流、功率、功率因數等電參數信息,動態監視各配電回路斷路器、隔離開關、地刀等合、分閘狀態及有關故障、告警等信號。其中,10kV配電系統中監測的開關量主要有:斷路器分、合閘信號,手車工作、試驗位置信號,遠方/就地切換位置信號、彈簧儲能狀態信號、接地刀合分信號、變壓器超溫跳閘信號、高溫報警信號,保護跳閘信號和事故預告信。
圖11 實時監測主界面圖
4.2. 電參量查詢
在配電一次圖中,可以直接查看該回路詳細電參量,包括三相電流、三相電壓、三相總有功功率、總無功功率、總功率因數、正向有功電能等,并可以查看24小時相電流趨勢曲線。
圖12 電參量查詢界面圖
4.3. 運行報表
能查詢各回路或設備指定時間的運行參數,報表中顯示電參量信息應包括:各相電流、三相電壓、總功率因數、總有功功率、總無功功率、正向有功電能等。
圖13 電參量運行統計報表界面圖
4.4. 歷史事件查詢
能夠對遙信變位,保護動作、事故跳閘,以及電壓、電流、功率、功率因數越限等事件記錄進行存儲和管理,方便用戶對系統事件和報警進行歷史追溯,查詢統計、事故分析。
圖14 歷史數據查詢界面圖
4.5. 電能統計報表
具備定時抄表匯總統計功能,用戶可以自由查詢自系統正常運行以來任意時間段內各配電節點的用電情況,即該節點進線用電量與各分支回路消耗電量的統計分析報表。
圖15 電能信息運行日報表界面圖
4.6. 網絡拓撲圖
系統支持實時監視接入系統的各設備的通信狀態,能夠完整的顯示整個系統網絡結構;可在線診斷設備通信狀態,發生網絡異常時能自動在界面上顯示故障設備或元件及其故障部位。
圖16 站內設備系統網絡拓撲圖
4.7. 遙控功能
可以對整個配電系統范圍內的設備進行遠程遙控操作。配電系統維護人員可以通過監控系統的主界面完成遙控操作,并遵循遙控預置、遙控返校、遙控執行的操作順序,可以及時執行調度系統或站內相應的操作命令。
圖17 遙控操作界面圖
4.8. 曲線查詢
在曲線查詢界面可以直接查看各電參量曲線,包括三相電流、三相電壓、有功功率、無功功率、功率因數等曲線。
圖18 曲線查詢界面圖
5. 結語
變電站綜合自動化系統在變電站的作用越來越顯著,對實現電網調度自動化和運維管理現代化,提高電網的安全和可靠運行水平起到了很大的作用,因此縣級電網中的變電站要進一步加強綜合自動化系統水平,提高運維人員的技能,保證電網安全穩定運行。
參考文獻
[1] 李新顏.變電站綜合自動化監控系統的研究與實現[D].上海交通大學.2009-05
[2] 中華人民共和國國家發展和改革委員會.《電力監控系統安全防護規定》.2014-08-01
[3] 錢怡,江波.變電站綜合自動化系統存在的問題及解決措施[J].2016:16
作者介紹:
楊興媚,女,現任職于江蘇安科瑞電器制造有限公司,主要研究測控技術與儀器、變電站綜合自動化的解決方案。
手機:18860995115,QQ:2881068602,郵箱:yangxingmei@email.acrel.cn




掃一掃添加微信