ASJ系列剩余電流繼電器在某體育場館項目的應用
楊興媚
江蘇安科瑞電器制造有限公司 江蘇江陰 202204
摘要:體育場館作為運動員拼搏奮斗為國爭光的場館,可容納幾萬人次。作為服務于賽事活動、市民文體活動的基礎設施,建筑面積大、電路復雜、流動人員廣、現場情況多變,科學采用漏電保護措施,才能保障體育場館智慧、安全、低碳地運營。
關鍵詞:體育場館;漏電保護;
0:概述
隨著社會經濟的飛速發展,社會電氣化程度不斷提高,用電安全成為重要研究課題。常見的相與相間發生短路可以產生很大電流,可采用開關保護,而發生人體觸電、線路老化而導致的電流泄露產生的火災以及設備的接地故障都是由于漏電流所造成,漏電流一般都在30mA-3A,這些值很小,傳統開關無法進行保護,所以需要采用剩余電流動作保護裝置。
1:剩余電流繼電器應用介紹
剩余電流繼電器是由剩余電流互感器來檢測剩余電流,并在規定條件下,當剩余電流達到或超過給定值時,使電器的一個或多個電氣輸出電路中的觸點產生開閉動作的開關電器。
下面介紹三種常見的漏電情況。
1、防直接接觸電擊需要采用I△n≤30mA的高靈敏度的RCD。
2、防間接接觸電擊可采用I△n大于30mA的中靈敏度的RCD。
3、防火RCD需采用4木及或2木及RCD。
對于IT系統,按規定采用剩余電流繼電器。為防止系統絕緣降低和作為二次故障后備保護,依據接線型式,采用類似 TT 或 TN 系統的保護措施。首先應采用絕緣監視裝置,預測一次故障。
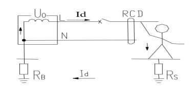
對于TT系統,推薦采用剩余電流繼電器。因為當發生單相接地故障時,故障電流很小,且較難估計,達不到開關的動作電流,外殼上將出現危險電壓。此時N線需要穿過剩余電流互感器。
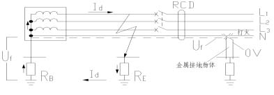
對于TN-S系統,可采用剩余電流繼電器,快速靈敏切斷故障,以提高安全可靠性,此時 PE 線不得穿過互感器,N 線需要穿互感器,且不得重復接地。
對于TN-C系統,不能采用剩余電流繼電器。因為 PE 線和 N 線合一,若 PEN 線不重復接地,當外殼帶電,互感器進出電流相等,ASJ拒動;若PEN線重復接地,部分單相電流將流入重復接地,達一定值后,ASJ 誤動。 需將TN-C系統改造成TN-C-S系統,同TN-S系統,再將剩余電流互感器接入TN-S系統中。


2:安科瑞電氣ASJ產品簡介
安科瑞電氣ASJ系列剩余電流繼電器能夠滿足上述幾種漏電情況的防護,與遙控跳閘開關聯用,及時切斷電源,防止間接接觸、限制漏電電流。也可以直接作為信號繼電器,監控電力設備。特別適用于學校、商廈、工廠車間、集貿市場、工礦企業、國家消防單位、智能大廈與小區,地鐵、石油化工、電信及國防等部門用電的安全保護。
ASJ系列產品主要有兩種安裝方式,ASJ10系列為導軌安裝,外形和功能如下表所示:
ASJ20系列為面板安裝,外形和功能如下表所示:

其中AC型和A型剩余電流繼電器的區別是:AC型剩余電流繼電器是對突然施加或緩慢上升的剩余正弦交流電流能確保脫扣的剩余電流繼電器,主要監測正弦交流信號。A型剩余電流繼電器是對突然施加的或緩慢上升的剩余正弦交流電流和剩余脈動直流電流能確保脫扣的剩余電流繼電器,主要監測正弦交流信號和脈沖直流信號。
儀表具體的接線端子和典型接線如下所示:
3:項目介紹
國外某大型體育場館國內成套廠購置840余配電柜,采購ASJ20-LD1A剩余電流繼電器1100余只,成套廠統一完成裝配、接線、測試,包裝。
現場配電柜共有三種容量規格,分別為22kVA、75kVA、150kVA,其中22kVA和150kVA容量規格又分為單路和雙路,具體數量見下表:
22kVA容量規格單路配電柜圖片如下所示


22kVA容量規格雙路配電柜圖片如下所示
75kVA容量規格單路配電柜圖片如下所示


150kVA容量規格單路配電柜圖片如下所示:


150kVA容量規格雙路配電柜圖片如下所示:
具體配電柜接線如下圖所示

配電柜內部如下圖,主要部件是變壓器、斷路器、風扇以及連接線,從上面的每個配電柜看出,不同容量規格的配電柜使用的元器件有所不同,變壓器容量越大,內部元件器額定電流越大,比如使用載流量較大的銅排,而不是載流量相對較小的電纜;比如配電柜內壁增加了風扇等。

ASJ系列剩余電流繼電器產品能夠監測線路中的漏電流,當漏電流達到或者超過設定值時,內部繼電器動作,發出告警,并能與斷路器開關聯動,快速切斷線路,保證線路安全,ASJ系列剩余電流繼電器的使用,為該體育場館的安全用電提供了保障。




掃一掃添加微信